展开
收缩
冶金信息装备网
客服1
客服2
客服3
客服4
电话:0311-88357930
设为首页
收藏本页
冶金信息装备网www.yejinzb.com
帐号
自动登录
找回密码
密码
登录
立即注册
首 页
新闻资讯
管理资讯
产业政策
新品研发
钢厂动态
热点聚焦
技术文献
炼铁文献
新工艺
新设备
原料
综合资料
高炉优化
热风炉
炼钢文献
炼钢工艺
炼钢设备
铁水预处理
精炼技术
连铸技术
综合资料
电炉炼钢
品种钢冶炼
烧结球团文献
烧结工艺
球团工艺
烧结设备
球团设备
综合资料
轧钢文献
轧钢工艺
轧钢设备
综合资料
轧机规程
焦化文献
工艺
设备
经济文献
经济指标
炼铁指标
炼钢指标
烧结球团指标
轧钢指标
焦炉指标
生产统计
国内生产统计
国外生产统计
进口统计
出口统计
营销统计
冶金设备
设备
供应
求购
冶金装备知识
推荐企业
企业动态
二手交易
企业名录
科技发展
工程项目
拟建在建项目
采购项目
技改检修项目
招投标信息
钢厂专栏
节能环保
节能减排
钢厂知识
经营管理
经营管理
安全生产
生产管理
操作规程
金属材料
新材料新工艺
材料使用
钢铁材料
原材料技术
行业标准
行业标准
建筑钢材标准
合金标准
轧钢标准
钢坯、型钢及相关钢材质量检验
综合标准
金属冶炼
有色金属
稀有金属
黑色金属
冶金测试技术
金属轧制与热加工
会议会展
会议预告
会议预告
会议资料
炼铁会议
炼钢会议
原料会议
轧钢会议
焦化会议
装备会议
视频会议
视频会议
会议名录
会议名录
钢厂名录
钢厂名录
展会资讯
展会资讯
市场行情
钢材行情
价格动态
市场分析
调价信息
价格汇总
一周综述
炉料行情
价格动态
市场分析
出厂价格
价格汇总
一周综述
市场趋势
市场趋势
市场行情
新闻资讯
工程项目
技术文献
钢厂频道
会议资料
设备
材料
经济文献
客服热线:
0311-88357930
当前位置1:
首页
»
新闻资讯
»
管理资讯
» 正文
中天钢铁集团36万吨炼铁产能指标出让公示
发布日期:2024-06-12 来源:我的钢铁网 浏览次数:
575
分享到:
新浪微博
QQ
开心网
人人网
微信
网易
更多
核心提示:按照《国务院关于化解产能严重过剩矛盾的指导意见》《国务院关于钢铁行业化解过剩产能实现脱困发展的意见》和《钢铁行业产能置换
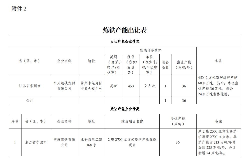
按照《国务院关于化解产能严重过剩矛盾的指导意见》《国务院关于钢铁行业化解过剩产能实现脱困发展的意见》和《钢铁行业产能置换实施办法》要求,现将中天钢铁集团有限公司36万吨炼铁产能指标出让情况予以公示,公示期为2024年6月11日至2024年7月8日。如有异议,请以书面形式向省工业和信息化厅反映情况。
联系电话:025-69652731(业务咨询)、025-69652843(信访举报)。
附件:1.炼铁产能分配表
2.炼铁产能出让表
江苏省工业和信息化厅
2024年6月11日
下一篇:
多路资金力挺城市更新 城中村、污水管网更新等成重点
上一篇:
首钢长钢多措并举筑牢安全生产防线
[
新闻资讯搜索
] [
加入收藏
] [
告诉好友
] [
打印本文
] [
关闭窗口
]
同类新闻资讯
• 唐钢主持修订的热轧轻轨国家标准正式发布
• 鞍钢集团9名领导人员,拟任新职
• 阳春新钢铁产品再次荣获“广东省名优高新技术产
• 抢占卫星热控系统规模化新赛道,济钢集团加速航
• 本钢板材炼铁总厂能源利用效率明显提高
• 鞍山钢铁推进多式联运“一箱制”成效显著
• 马钢集团:宝钢股份参股马钢有限、马鞍山钢铁基
• 唐钢精品低合金钢用于中车集团货车制造项目
• 张宣科技:镀锌材料助建浊漳河防洪能力提升工程
• 鞍钢股份鲅鱼圈分公司炼钢部重点工作连创佳绩
共
0
条 [查看全部]
相关评论
推荐新闻资讯
唐钢主持修订的热轧轻轨国家标准正式发布
鞍钢集团9名领导人员,拟任新职
阳春新钢铁产品再次荣获“广东省名优高新技术产品”称号
抢占卫星热控系统规模化新赛道,济钢集团加速航空航天产业布局
本钢板材炼铁总厂能源利用效率明显提高
鞍山钢铁推进多式联运“一箱制”成效显著
马钢集团:宝钢股份参股马钢有限、马鞍山钢铁基地规划谋定、马钢股份经营绩效大幅扭亏,打造长江钢铁成为区域精品建材基地
唐钢精品低合金钢用于中车集团货车制造项目
张宣科技:镀锌材料助建浊漳河防洪能力提升工程
鞍钢股份鲅鱼圈分公司炼钢部重点工作连创佳绩
点击排行
胡望明调研宝钢德盛:锚定生存根基,聚力实干发展
2025年钢铁年终盘点(开工投产)
通过验收!广西钢铁精益产线+1
本溪北营钢铁(集团)股份有限公司能源总厂220kV输变电工程送电成功
2025年前11个月本钢板材热连轧厂高端产品订单量同比增长2.2%
日照钢铁仓储智能化项目上线,引领钢铁仓储无人化变革
夯实绿色数据底盘 | 冶控集团持续推进全基地EPD认证
汉钢公司:以超低排放改造交出环境绩效创A硬核答卷
马鞍山宝钢无缝钢管精品基地项目2026年第一批开工
2026怎么干?多家钢企作出部署
关于我们
联系方式
付款方式
电子期刊
会员服务
版权声明
冀ICP备13016017号-1
(c)2013-2014 yejinzb.com All Rights Reserved客服:0311-88357930