龙鸿昌
山西金鼎潞宝能源科技有限公司
摘要:一般的电力用户系统中,以电机、变压器等感性负载为主,电压超前电流,无功功率呈现感性特点,导致功率因数降低,往往通过投入电容器等容性设备进行无功功率补偿,提高功率因数,但有些用户的用电系统由于发电机或同步电机的存在,呈现容性的特点,就不能通过再增加容性设备去提高功率因数,本文借助具体实际案例,通过对三相三线智能电能表四象限计量功能进行详细的分析和研究,深入剖析容性用电系统中用电功率的无功分量性质及组成,采取对应的调整手段,达到提升功率因数的目的。
关键词:电能的无功分量;低负荷;功率因数;感性无功;容性无功
0 引言
在交流电路的电力系统中,当电压与电流之间存在相位差时,无功功率分量便产生,该分量虽不直接参与对外做功,却在电源与负载之间进行能量的周期性交换【1】。无功功率分量对于某些电气设备的正常运行至关重要,但无功功率的存在会占用电源容量,导致电源提供的有功功率相应减少【2】,电力公司通常将控制功率因数作为管控无功功率的手段,以降低电网损耗、提升输电设备的使用效率,调节无功功率以确保进线线路功率因数满足供电公司规定的最低标准,是用电企业必须解决的关键问题。功率因数的计算公式为:

计算时需取其绝对值之和。假设在用户有功电量保持不变的前提下,提升功率因数的策略是减少无功电量的吸收和倒送。目前,实现无功补偿的主要技术包括并联电容器、静止无功补偿器(SVC)和动态无功补偿器(SVG)调相机、有源滤波器等。这些技术均能实现有效的补偿效果【3】。然而,在用户所需电网的有功功率极低的情况下,电容补偿可能会导致频繁的自动投切,难以控制。此外,采用SVC或SVG等设备时,投入产出比可能会降低。因此,在现有条件下,精确控制无功功率成为首选策略。为了精确控制无功功率,在此通过电能的四象限计量进行精准分析,以确定无功功率的感性或容性特性,并据此采取适当的补偿措施,以实现提高功率因数的目标【4】。
1 提出问题
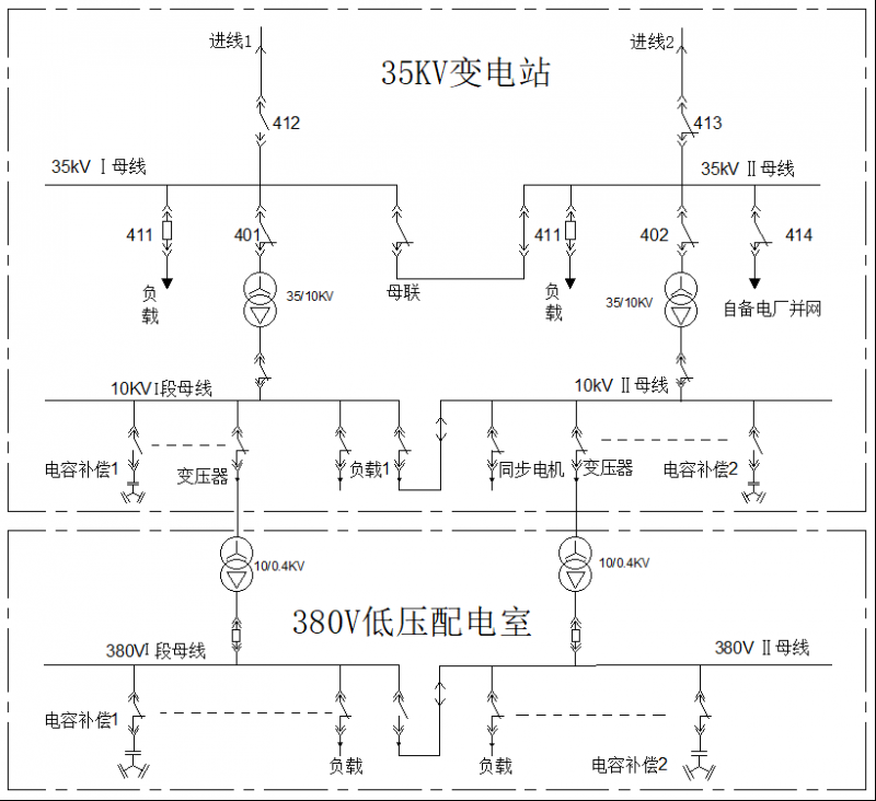
在某煤焦化企业的电力一次系统图中,可见一座35KV变电站的配置。该变电站设计包含两路35KV进线,其中一路由进线2开关413供电。在运行过程中,两台主变有载调压开关在第一档位,10KV母线电压在10.5KV,功率因数保持在0.97的稳定水平,而进线2的功率因数仅为约0.75。在三个月的时间内,企业因功率因数未达标而遭受的罚款累计已超过100万元。因此,降低10KV母线电压和提升进线功率因数已成为该企业迫切需要解决的关键问题。

图一 电力一次系统图
2 问题分析
2.1 进线间隔413
2.1.1 电量统计
该间隔采用DSZ178型三相三线智能电能表,依据《多功能电能表通讯协议》DL/T645-2007标准,设定一个平面坐标系,其中横轴代表有功功率,纵轴代表无功功率。该坐标系将平面划分为四个象限,逆时针方向依次为Ⅰ、Ⅱ、Ⅲ、Ⅳ象限。在第一象限中,无功功率为正值,此时电能表测量的是负载消耗的感性无功电能;在第二象限,无功功率同样为正值,电能表测量的是负载消耗的容性无功电能;在第三象限,无功功率为负值,电能表测量的是负载向电网反馈的感性无功电能;在第四象限,无功功率亦为负值,电能表测量的是负载向电网反馈的容性无功电能【5】。进线间隔413三个月内无功电能表的计量数据如表一所示(CT变比为600/5,PT变比为35000/100)。
表1 变电站进线413无功电量统计
|
|
第一月初 |
第三月末 |
差值 |
实际无功电量 |
|
第1象限 |
1319.24 |
1321.34 |
2.1 |
88200 |
|
第2象限 |
0.43 |
0.43 |
0 |
0 |
|
第3象限 |
10.03 |
16.03 |
6.0 |
252000 |
|
第4象限 |
237.28 |
263.08 |
25.8 |
1083600 |
无功电量,即无功功率随时间的积分,是建立磁场所必需的。在电网参考框架下,当负载呈现感性特性时,电流相对于电压滞后,此时无功功率从电网流向负载,电网需提供相应的感性无功功率。相反,若负载呈容性特性,电流则领先于电压,无功功率的流向则为从负载返回至电网。
根据表一数据,35KV变电站从外部网络吸收了88200kvarh的感性无功电能,未吸收任何容性无功电能,同时向外部网络反馈了252000kvarh的感性无功电能以及1083600kvarh的容性无功电能。进线处的无功电量主要分布在第四象限,表明无功电量的输出以容性无功为主。
2.1.2 该间隔无功功率变化曲线
图2、图3及图4展示了进线413间隔在连续三个月期间无功功率变化的曲线图。
图2 第一月无功功率变化曲线
图3 第二月无功功率变化曲线
图4 第三月无功功率变化曲线
观察图二所示的月度无功功率变化曲线,可以发现其平均值大致分布在-1Mvar区间。图三所展示的月度无功功率变化曲线,其平均值主要集中在-2Mvar区间。进一步分析图四,该月度无功功率变化曲线的集中趋势亦显示在-1Mvar区间。
3.1.3、功率因数计算
在间隔413处,有功负荷长期稳定在0.5-1MW区间,三个月累计吸收的有功电量约为WP=750*24*90=2160000KWh,即162万KWh。在计算功率因数时,所涉及的无功电量包括从电网流向用户的无功电量绝对值与从用户流向电网的无功电量绝对值之和。因此,参与计算的总无功电量为:

2.2 同步发电机组
2.2.1 同步发电机
在35KV开关站35KVⅡ段母线,配置了一台额定容量为30MW的同步发电机组。该机组通过414间隔实现并网接入。该同步发电机组具备向电网提供感性无功功率或容性无功功率的能力。具体而言,当发电机的励磁电流较高时,其向电网输送的无功功率表现为感性;反之,当励磁电流逐渐减小,发电机端电压随之下降,而电网电压保持不变,此时发电机定子绕组中的感应电动势低于电网电压,电枢呈现助磁效应,导致定子电流相位超前于端电压,从而使得发电机输出容性无功功率【6】。
2.2.2 无功分量四象限分析
表二展示了414间隔三相三线智能电能表在四象限无功电能统计方面的数据:
表2 发电机组并网线414无功电量统计
(CT:600/5,PT:35000/100)
|
|
第一月初 |
第三月末 |
差值 |
实际无功电量 |
|
第1象限 |
7.37 |
7.37 |
0 |
0 |
|
第2象限 |
0 |
0 |
0 |
0 |
|
第3象限 |
204.56 |
237.56 |
33 |
1386000 |
|
第4象限 |
0.03 |
0.03 |
0 |
0 |
根据表2的数据分析,可以明确地观察到发电机在运行过程中并未从电网中吸收感性无功功率,同时未从外部电网获取容性无功功率,亦未向外部电网回馈容性无功功率。在414间隔的无功功率记录中,所有无功电量均位于第三象限,这表明该发电机仅向电网提供了感性无功功率,总量为1386000kvarh。
2.3 同步电动机
2.3.1 同步电动机
在35KV开关站主变低压侧10KV II段母线上配置有一台同步电机负荷。通过调节该同步电动机的励磁电流,其功率因数得以调整。当励磁电流处于较低水平时,电动机表现为感性负载,类似于常规的异步电动机,需要从电网吸收感性无功。随着励磁电流的逐步提升,功率因数可达到1的临界值。若继续增加励磁电流,电枢电流超前于端电压,电动机功率因数处于超前状态,相当于一个容性负载,向电网发出感性无功,相当于吸收电网的容性无功,通常同步电机运行与过励状态【7】。
2.3.2 无功分量分析
表3展示了该同步电机三相三线智能电能表在四象限无功电能计量方面的统计数据。
表3 同步电动机无功电量统计
(CT:1000/1)
|
|
第一月初 |
第三月末 |
差值 |
实际无功电量 |
|
第1象限 |
0 |
0 |
0 |
0 |
|
第2象限 |
0 |
0 |
0 |
0 |
|
第3象限 |
0 |
0 |
0 |
0 |
|
第4象限 |
172.11 |
204.8 |
32.6 |
3260000 |
根据表3的数据分析,可以观察到同步电机并未从电网中吸收感性或容性无功功率,其无功功率的交换完全集中在第四象限,表明该电机向电网回馈了3260000kvarh的容性无功功率。
2.4 分析小结
在10KV侧未投入高压电容补偿柜的情况下,10KV母线功率因数依然保持在较高水平,其原因在于系统中存在一台同步电机负载,该负载向电网提供容性电流。此外,380V低压侧亦投入了一定数量的低压电容补偿柜,导致10KV系统中的容性无功功率分量超过了感性无功功率分量,使得10KV系统处于功率因数超前的运行状态【8】。然而,这种运行状态具有显著的危害性,容易与系统中的感性元件形成谐振条件,进而引起10KV系统电压升高,并可能导致系统谐波的放大,对其他设备产生谐波干扰,影响其正常运行。
由于企业内部配备有自备发电机组,企业对电网的有功功率需求相对较低,平均只有0.75MW左右,同时向电网输送容性功率,导致413间隔进线的视在功率中容性功率分量较大。尽管自备发电机组向系统提供了部分感性功率,但这一输入量仍不足以逆转系统的容性特性,综合以上有功和无功功率情况,造成了35KV进线413间隔的功率因数持续偏低。
了解清楚进线413间隔有功、无功的大小和性质后,就不能盲目的通过简单增加电容补偿的方法去提高该企业的进线功率因数,
3 解决问题
3.1 通过以上分析,有以下几种解决问题的办法
寻找新的用电负荷,通过企业多用电,直接增加413进线有功功率输入值,提高有功功率在视在功率中的占比,实现功率因数的提高,但目前,企业的用电总负荷比较稳定,没有新负荷可增加,所以这个办法暂时行不通。
降低发电机组并网点414间隔的并网电量,在企业总用电负荷稳定的情况下,通过少发电,间接的增加413进线间隔有功功率输入,提高有功功率占比,进而提高功率因数,企业目标是实现经济效益的最大化,显然不可能为了功率因数的提高,白白浪费掉生产中产生的预热、余气等二次能源,减少发电量,提高从供电公司购买电量。
适当增加发电机组的励磁电流,提高发电机组向外反馈的感性无功功率,用于抵消系统的一部分容性无功,但是由于需要增加的感性无功体量很小,并且目前发电机组输出电压已经很高,如果增加或频繁调整励磁电流,不利于机组的平稳运行并且造成发电机组端电压的进一步升高。
根据企业进线413间隔无功电量构成分析,第四象限的容性无功占比最大,减少第四象限的无功功率,容易减少总的无功功率,提高功率因数。目前3KV变电站10KV高压电容组的没有投入,但可以减少380低压侧无功补偿的投入,当减少低压侧电容组投入量时,由于高压侧和低压侧的电气联系,高压侧向电网反向反馈的无功电量也会随着较少,进而实现提高功率因数的目的。
3.2 需切除电容容量计算
3.2.1 无功功率平均值
根据表一数据,计算切除电容器前进线413间隔各种无功功率平均值为:
从电网吸收的感性无功功率:

3.2.2 调整后的无功功率计算

3.2.3 需要减少的无功功率

取整,需要减少300kvar的无功功率
3.3 应用实践
通过以上分析和计算,结合企业低压补偿的具体情况,实际退出低压无功补偿350kvar,
实际切除后的总无功功率 :
![]()
实际切除后功率因数:

在没有增加硬件投资的前提下,通过分析计算,切除低压补偿电容,本企业实际运行功率因数稳定在0.92左右,满足了供电公司的要求,避免了罚款考核,同时降低了电力损耗,提高了煤焦化企业的经济效益。
4 结语
通过三相三线智能电能表的四象限计量特性,正确分析电能无功分量组成、方向及性质,有针对性的减少无功分量,而不是盲目的通过多投入电容组去提高功率因数,功率因数达标,不仅仅避免了供电部门对企业的考核,降低煤焦化企业的用电成本,而且可以改善电压质量、减少线路损耗、提高发电和供电设备的利用率,意义重大。
参考文献
[1] 孟垂懿,孙笑雨,宋孚红,等.无功补偿技术在智能电网中的应用[J].电工材料,2021(02):75-77.
[2] 欧剑雄,对无功功率及相关概念常见的认识误区[J],物理教师,2015(11):7-10
[3] 张仕民,叶选茂,姜齐荣.配网及用户侧供电安全与电能质量[J].四川电力技术.2005,(4).52-55
[4] 张勇军,任震,李邦峰.电力系统无功优化调度研究综述[J].电网技术.2005,(2).DOI:10.3321/j.issn:1000-3673.2005.02.011 .
[5] 黄一洋,三相三线电能表第一元件电流显示负值的原因[J],农村电工.2021年第12期53-53
[6] 黄康,同步发电机励磁控制研究综述[J], 电气应用, 2022年第9期9-10
[7] 李永东, 交流电机数字控制系统 [M].机械工业出版社,2002
[8]刘介才.工厂供电[J].北京:机械工业出版社,2013:258-270
[9]李国瑞.电气控制技术[M].北京:机械工业出版社,2011.3:180-185.
[10] 王军政 宋新凯,电力系统功率因数测量与补偿技术[J],数字化用户,2024年44期
